NEWS



Chapter II Principle of HW Series Transmission
Section I Structure of HW Series Transmission
I. Drive Structure of HW Series Transmission.
Main gearbox of HW series transmission adopts twin countershaft structure, the two
countershafts have 180° angle; the supplementary gearbox adopts planet drive gear
structure. Inputting power from input shaft is divided into the two countershafts, then
influxes into the spindle, finally output by planet drive gear of supplementary gearbox to
realize the power transferring.
1. HW19710 Series Transmission
HW19710 series transmission is composed by main gearbox, two-section
supplementary gearbox. Main gearbox has five forward shifts, and the
supplementary gearbox has two shifts, so there are ten (5 x 2 ) forward shift and two
reverse shift. The main drive structure is as shown in figure 2-1:
Main gearbox is manual operation and supplementary gearbox is air operation.
Operation and controlling devices of HW 19710 series transmission have styles of
single lever dual H shift device and double lever dual H shift device.

Figure 2-1: Main Drive Structure of HW19710 Series Transmission
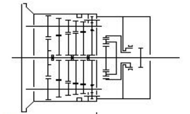
II. Control Structure of HW Series Transmission
1. HW19710 Series Transmission

Figure 2-2: Control Structure of HW19710 Series Transmission
The control structure of HW19710 Series Transmission is as shown in Figure 2-2.
Centering spring and centering seat ring are settled on the shift axle, which unites
and composes shift lock with small housing hull and spacer ring to form 3 clear shift
positions. These 3 positions parallelize 3 positions of shift head; each position can
swing front and back to form two shifts. Control structure of HW19710 cooperates
with air directly control insert fork, can realize 10 forward shifts and 2 reverse shifts.
Interlocking fork, shift head, fork axle block unite and compose shift interlocking
structure. The shift head is opposite to the two grooves of interlocking fork. Only
when the fork block directly opposite to the groove of the interlocking fork, the fork
block can be pulled out to realize shift. If shift head is not opposite to the groove of
the interlocking, the fork block can’t be pulled out of the interlocking, and then can’t
realize to shift. This ensures that shift can only be changed in the three clear shift
positions to realize reliable interlocking function.
Sector lock block, lock pin axle, lock spring unites and composes the lock structure
which ensures the reliability of locking.
Section II Drive Route and Shift Figure of HW Series
Transmission
I. Drive Route of HW Series Transmission.
1. Drive Route of HW 19710 Series Transmission is as shown in Figure 2-3.


Figure 2-3: Drive Route of HW19710 Series Transmission
II. Shift Figures of HW Series Transmission

Figure 2-4 Shift Figure of HW19710 Series Transmission
Main Technological Parameters of HW 19710 Series Transmission


We are the agency for SINOTRUK wholesale truck series, we can supply HOWO tractor trucks, HOWO dump trucks, trailer truck, truck parts, agricultural machinery, Construction machinery and parts,HOWO concrete mixer trucks, special trucks and so on.we can supply trucks for our clients with good quality and competitive price, because we get directly support from the CNHTC factory.

Main products
1. Dump Truck / Tipper Truck
2. Hohan tractor Truck/ prime mover truck
3. Truck with crane / Truck mounted crane
4. Oil Tank Truck / Fuel Tanker Truck
5. Water truck / Water Tank Truck / Water Sprinkler Truck
6. Concrete Mixer Truck
7. Van truck / Insulated truck/ Refrigeration truck
8. Fecal suction truck / Sewage suction truck
9. Cement Powder Tank truck/ Bulk cement trailer
10. High-altitude operation truck
11.Semi Trailer ( flat bed trailer / skeleton trailer / dump trailer / side wall trailer / low bed trailer / container trailer, etc. )


NEWS